Product Summary
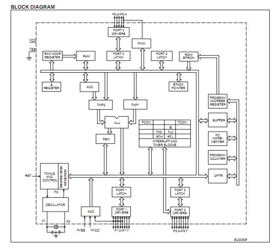
The P87C749EBPN is an 8-bit microcontroller. The P87C749EBPN offers many of the advantages of the 80C51 architecture in a small package and at low cost. The P87C749EBPN Microcontroller is fabricated with Philips high-density CMOS technology. Philips epitaxial substrate minimizes CMOS latch-up sensitivity.
Parametrics
P87C749EBPN absolute maximum ratings: (1)Storage temperature range: –65 to +150℃; (2)Voltage from VCC to VSS: –0.5 to +6.5 V; (3)Voltage from any pin to VSS (except VPP): –0.5 to VCC + 0.5 V; (4)Power dissipation: 1.0 W; (5)Voltage from VPP pin to VSS: –0.5 to + 13.0 V.
Features
P87C749EBPN features: (1)64 × 8 RAM; (2)16-bit auto reloadable counter/timer; (3)5-channel 8-bit A/D converter; (4)8-bit PWM output/timer; (5)10-bit fixed-rate timer; (6)Boolean processor; (7)CMOS and TTL compatible; (8)Well suited for logic replacement, consumer and industrial applications.
Diagrams

![]() |
![]() P87C251SA16 |
![]() |
![]() IC MCU 8-BIT 8K 16MHZ OTP 40-DIP |
![]() Data Sheet |
![]() Negotiable |
|
||||
![]() |
![]() P87C251SB16 |
![]() |
![]() IC MCU 8-BIT 16K 16MHZ OTP 40DIP |
![]() Data Sheet |
![]() Negotiable |
|
||||
![]() |
![]() P87C251SP16 |
![]() |
![]() IC MCU 8-BIT 8K 16MHZ OTP 40-DIP |
![]() Data Sheet |
![]() Negotiable |
|
||||
![]() P87C251SQ16 |
![]() |
![]() IC MCU 8-BIT 16K 16MHZ OTP 40DIP |
![]() Data Sheet |
![]() Negotiable |
|
|||||
![]() |
![]() P87C42 |
![]() |
![]() IC MCU UNIV PERIF INTERFAC 40DIP |
![]() Data Sheet |
![]() Negotiable |
|
||||
![]() |
![]() P87C453EBAA |
![]() Other |
![]() |
![]() Data Sheet |
![]() Negotiable |
|
||||
(China (Mainland))








