Product Summary
The D703276YGJ566 is a 32-bit single-chip microcontroller that includes the V850ES CPU core and peripheral functions such as ROM/RAM, a timer/counter, serial interfaces, an A/D converter, and a D/A converter. In addition to high real-time response characteristics and 1-clock-pitch basic instructions, the D703276YGJ566 features multiply instructions, saturated operation instructions, bit manipulation instructions, etc., realized by a hardware multiplier, as optimum instructions for digital servo control applications. Moreover, as a realtime control system, D703276YGJ566 enables an extremely high cost-performance for applications that require a low power consumption, such as audio and car audio.
Parametrics
D703276YGJ566 absolute maximum ratings: (1)VDD, VDD = EVDD = AVREF0 = AVREF1: -0.5 to +4.6 V; (2)BVDD: -0.5 to +4.6 V; (3)EVDD, VDD = EVDD = AVREF0 = AVREF1: -0.5 to +4.6 V; (4)AVREF0, VDD = EVDD = AVREF0 = AVREF1: -0.5 to +4.6 V; (5)AVREF1, VDD = EVDD = AVREF0 = AVREF1: -0.5 to +4.6 V; (6)VSS, VSS = EVSS = BVSS = AVSS: -0.5 to +0.5 V; (7)AVS,S VSS = EVSS = BVSS = AVSS: -0.5 to +0.5 V; (8)BVSS, VSS = EVSS = BVSS = AVSS: -0.5 to +0.5 V; (9)EVSS, VSS = EVSS = BVSS = AVSS: -0.5 to +0.5 V; (10)Analog input voltage, VIAN, P70 to P715 -0.5 to AVREF0 + 0.5 V; (11)Operating ambient temperature, TA: -40 to +85℃; (12)Storage temperature, Tstg: Mask ROM versions: -65 to +150℃; Flash memory versions: -40 to +125℃.
Features
D703276YGJ566 features: (1)Output is selectable from a multiplexed bus with a minimum of 3 bus cycles and a separate bus with a minimum of 2 bus cycles; (2)8-bit/16-bit data bus selectable; (3)Wait function: Programmable wait function of up to 7 states; External wait function using WAIT pin; (4)Idle state function; (5)Bus hold function; (6)Up to 16 MB of physical memory connectable; (7)The bus can be controlled at a voltage that is different from the operating voltage when BVDD ≦ EVDD = VDDHowever, in separate bus mode, set BVDD = EVDD = VDD.
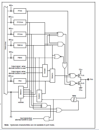
Diagrams

![]() |
![]() D703008 |
![]() TE Connectivity |
![]() General Purpose / Industrial Relays 0200 J RELAY |
![]() Data Sheet |
![]()
|
|
||||||
(China (Mainland))








