Product Summary
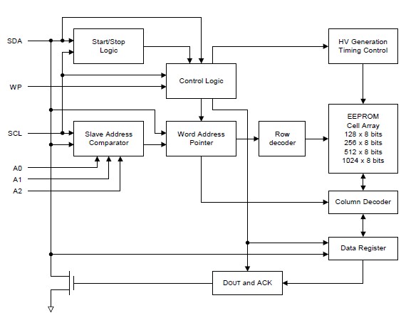
The S524C20D21-SCTO serial EEPROM has a 2,048-bit (256-byte) capacity, supporting the standard I2C™-bus serial interface. The S524C20D21-SCTO is fabricated using Samsung most advanced CMOS technology. One of its major feature is a hardware-based write protection circuit for the entire memory area. Hardware-based write protection is controlled by the state of the write-protect (WP) pin. Using onepage write mode, you can load up to 16 bytes of data into the EEPROM in a single write operation. Another significant feature of the S524C20D21-SCTO is its support for fast mode and standard mode.
Parametrics
S524C20D21-SCTO absolute maximum ratings: (1)Supply voltage, VCC: – 0.3 to + 7.0 V; (2)Input voltage, VIN: – 0.3 to + 7.0 V; (3)Output voltage, VO: – 0.3 to + 7.0 V; (4)Operating temperature, TA: – 40 to + 85℃; (5)Storage temperature, TSTG: – 65 to + 150℃.
Features
S524C20D21-SCTO features: (1)1K/2K/4K/8K-bit (128/256/512/1,024-byte) storage area; (2)16-byte page buffer; (3)Typical 3.5 ms write cycle time with auto-erase function; (4)Hardware-based write protection for the entire EEPROM (using the WP pin); (5)EEPROM programming voltage generated on chip; (6)1,000,000 erase/write cycles; (7)100 years data retention.
Diagrams

![]() |
![]() S524AB0XB1 |
![]() Other |
![]() |
![]() Data Sheet |
![]() Negotiable |
|
||||
![]() |
![]() S524AD0XD0XF1 |
![]() Other |
![]() |
![]() Data Sheet |
![]() Negotiable |
|
||||
![]() |
![]() S524LB0XB1 |
![]() Other |
![]() |
![]() Data Sheet |
![]() Negotiable |
|
||||
![]() |
![]() S524LB0X91 |
![]() Other |
![]() |
![]() Data Sheet |
![]() Negotiable |
|
||||
![]() |
![]() S524L50X51 |
![]() Other |
![]() |
![]() Data Sheet |
![]() Negotiable |
|
||||
![]() |
![]() S524L50D51 |
![]() Other |
![]() |
![]() Data Sheet |
![]() Negotiable |
|
||||
(China (Mainland))








