Product Summary
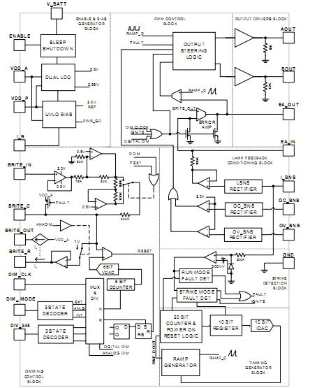
The LX1689CPW is the latest generation Direct Drive CCFL (Cold Cathode Fluorescent Lamp) Controller. It uses new circuit design techniques (patents pending) and combines digital and linear circuits with an advanced BiCMOS process to create a more complete controller in a small package. The LX1689CPW includes a new lamp strike detection scheme that saves a package pin and three external components.
Parametrics
LX1689CPW absolute maximum ratings: (1)Supply Voltage (V_BATT):30V ; (2)Digital Input (ENABLE):-0.3V to 7V ; (3)Analog Inputs Transient Peak (I_SNS, OC_SNS, OV_SNS):-25V to +25V ; (4)Analog Inputs (BRITE_IN, EA_IN):-0.3V to 5.5V ; (5)Digital Inputs (DIM_CLK,DIM_MODE, DIV_248): -0.3V to 5.5V ; (6)Digital Output (AOUT, BOUT:-0.3V to VDD_P +0.5V ; (7)Analog Outputs (BRITE_C, I_R, BRITE_OUT, BRITE_R, EA_OUT): -0.3V to VDD_A_ +0.5V ; (8)Operating Temperature Range:-45℃ to 100℃; (9)Maximum Junction Temperature:125℃.
Features
LX1689CPW features: (1)3 to 28 Volt Single Fixed (±20%) Supply Operating Range ; (2)Selectable Analog/Digital Dimming Modes ; (3)Digital Dimming Can Synch to External Or Internal Clocks ; (4)User Programmable Digital Dimming Burst Frequency ; (5)252 mS Power On Delay ; (6)Flexible Lamp Current Compensation Input ; (7)Open Lamp Shutdown and Fault Output Indicator ; (8)“On Chip” Full Wave Lamp Current & Voltage Rectifiers ; (9)20 Pin TSSOP Package .
Diagrams

| Image | Part No | Mfg | Description | ![]() |
Pricing (USD) |
Quantity | ||||||
|---|---|---|---|---|---|---|---|---|---|---|---|---|
![]() LX1689CPW |
![]() |
![]() IC CTRLR CCFL BACKLIGHT 20TSSOP |
![]() Data Sheet |
![]()
|
|
|||||||
| Image | Part No | Mfg | Description | ![]() |
Pricing (USD) |
Quantity | ||||||
![]() |
![]() LX1660 |
![]() Other |
![]() |
![]() Data Sheet |
![]() Negotiable |
|
||||||
![]() |
![]() LX1660CD |
![]() |
![]() IC PWM MONO SWITCHING REG 16SOIC |
![]() Data Sheet |
![]() Negotiable |
|
||||||
![]() |
![]() LX1660CN |
![]() |
![]() IC PWM MONO SWITCHING REG 16DIP |
![]() Data Sheet |
![]() Negotiable |
|
||||||
![]() |
![]() lx1661 |
![]() Other |
![]() |
![]() Data Sheet |
![]() Negotiable |
|
||||||
![]() |
![]() LX1661CD |
![]() |
![]() IC PWM MONO SWITCHING REG 16SOIC |
![]() Data Sheet |
![]() Negotiable |
|
||||||
![]() |
![]() LX1661CN |
![]() |
![]() IC PWM MONO SWITCHING REG 16DIP |
![]() Data Sheet |
![]() Negotiable |
|
||||||
(China (Mainland))









