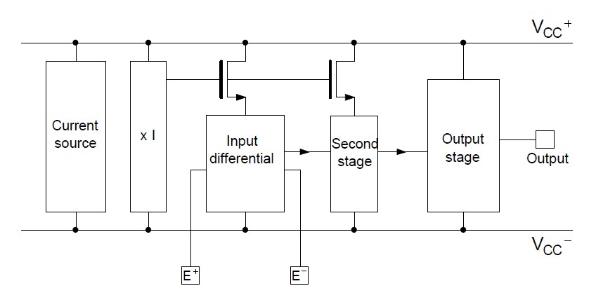
Product Summary
The S27L2AIN is a low cost, low power dual operational amplifier designed to operate with single or dual supplies. These operational amplifiers use the ST silicon gate CMOS process allowing an excellent consumption-speed ratio. The S27L2AIN is ideally suited for low consumption applications.
Parametrics
S27L2AIN absolute maximum ratings: (1)VCC+, Supply Voltage: 18 V; (2)Vid, Differential Input Voltage: ±18 V; (3)Vi, Input Voltage: -0.3 to 18 V; (4)Io, Output Current for VCC≧15V: ±30 mA; (5)Iin, Input Current: ±5 mA; (6)Toper, Operating Free-Air Temperature Range: 0 to +70℃; (7)Tstg, Storage Temperature Range: -65 to +150℃.
Features
S27L2AIN features: (1)very low power consumption: 10μA/op; (2)output voltage can swing to ground; (3)excellent phase margin on capacitive loads; (4)stable and low offset voltage; (5)three input offset voltage selections.
Diagrams

(China (Mainland))






